伊顿热插拔模块化 UPS 93P 系列是伊顿三相 UPS 中的优等生。伊顿 UPS 型号中的 9 代表 UPS 可以解决九大电能质量问题;3 代表输出是三相;P 代表高级和高能。而 93P 平台则是伊顿三相 UPS 中性能最好、功能最多的一个平台,具有很多伊顿优秀的技术基因。
同时具有全球化的特点,所有的伊顿 93P 系列热插拔模块化 UPS 都使用相同的硬件模组、相同的拓扑、相同的软件、相同的接口,更易于操作、保证性能稳定,有利于产品大规模成熟量产;可以根据市场需求,进行产品的快速升级和迭代开发,满足多元化市场需求。

伊顿 93P 模块化平台 DNA
93P 系列产品 2015 年上市,近期相继推出了全模块化 93PR 125kW UPS 和 93PR 600kW UPS 两大新品,93PR 1200kW UPS 将在今年年底重磅推出,值得期待。
伊顿模块化设计不仅应用于 UPM、STS、通讯模块、触摸屏,还包括 PDU、内置模块化电池。将所有的结构按照模块化设计,可以使 UPS 实现 N+X 的内部冗余。如果一个模组故障,工程师可以在 UPS 工作模式下实现 UPS 的在线维修维护,MTTR(平均无故障时间)可以达到 0。

93PR 125kW UPS 内部结构
93P 系列产品采用了伊顿专利的热插拔技术,这类热插拔的端子能够很好的配合机柜后面的软铜排,表现出了非常耐久的性能。伊顿整个 UPS 的模块可以保证几百次甚至上千次的在线热插拔,插板不会导致结构件疲劳。内置的所有模块可以实现在线的更换,同时其他模块能够保持正常的运行。热插拔操作和更换过程非常便捷,可以在 5 分钟之内完成。
93P 系列产品首次使用了最新的碳化硅技术,碳化硅作为新型材料应用于 93P 系列中不仅效率可以达到 97.5%,同时使 IGBT 的耐冲击兼容性更好,使元器件数量从 100 个左右降至七八个,更好的提升了可靠性。

SiC 混合型 IGBT 封装模块
具有耐高温高压的锂壳电容,其可视性通过颜色变化形成预警,具有很高的安全保障性。
整个系列采用了高效能热学管理设计,让 UPS 内部的关键元器件的寿命得到延长,保证在 40 度的环境温度可以实现十年的寿命。
93P 系列为全球化产品,输出电压等级有 208 伏、480 伏,380 伏,400 伏、415 伏,适用于美国、欧洲、东南亚等市场。为保证在全球范围应用,93P 系列进行了多项认证,包括 CE、CB 和 UL 认证。在网络安全方面也通过了 UL 和 CE 的认证。同时,Predict Plus 健康预测服务面向客户全面开放。
93P 系列内部的 PCBA 都是经过三防处理,可以适应如轨道交通、沿海地区高盐雾等特殊环境。同步并机、假负载测试、电子管理、模块休眠、交流直供、谐波抑制系统以及未来的 UPS 数字一体化、UPS 储能等功能,93P 系列都可以实现。除以上伊顿专利技术外,93P 系列还提供了很多特殊功能,如高弹性可扩展、冷启动、变频甚至变压,以满足用户不同场景的应用需求。93PR 600kW 以上 UPS 产品即将推出 3 线配置,使 UPS 在工作时不需要输入的零线,进一步降低客户布线成本,更好的适配 ATS 的切换。93P 系列产品在大中小型数据中心都有着广泛的适用性,除了标准化应用场景,伊顿还可以基于 93P 平台进行定制化产品来满足不同行业客户需求。例如,针对轨交行业,UPS 内部 PCBA 全部进行三防处理,集成的变压器、防雷模块能够更好的满足轨道交通行业复杂恶劣的应用环境;在半导体行业,提供 208 伏的产品适用于特殊环境,480 伏的产品适用于通用环境;伊顿在医疗领域与西门子也展开了深入合作。其价值远不止于此:
2020 年起,根据各地相关法规规定,新建大型数据中心 PUE 值要确保低于 1.4。UPS 供电系统作为数据中心能耗大户,其效率关乎整个数据中心 PUE 值,面临挑战。
全新 93PR UPS 在线双转换模式下效率高达 96%,甚至达到 97.5%。在旁路优先模式下,伊顿 UPS 效率得到了有效提升,借助 ESS 交流直供模式效率可达 99%;VMMS 智能模块休眠管理技术调整 UPS 实际工作效率,保持系统始终工作在最佳效率区间,显著降低电源和制冷成本。
93P 系列模块化 UPS 产品,根据空间布局、负载变化情况、配置升级调整,利用垂直可扩展性降低数据中心先期投入成本,缓解未来的意外增长风险,实现“边增长边扩展”,以避免浪费。当然,边增长边扩展不只是可节省初期投资,它还有助于提高数据中心的能效,并且模块化结构有利于防止因等待维修造成的工作流程停滞。
伊顿 HotSync 热同步专利并联技术,结合关键部件模块化热插拔和高度冗余化设计,无需依赖模块之间通讯线,最大支持 8 台并机。目前 93PR 系列 UPS 最大可扩容到 4.8MW。独创的热插拔集中式静态旁路模块可以让系统实现初期旁路增容满配而功率模块则根据实际需求增加,有效提高数据中心可扩展性。
UPS 是数据中心供电安全可靠性必备核心设备,改善供电质量和提供不间断的供电保障也是伊顿 UPS 产品设计的初心。作为关键基础设施,伊顿 93P 系列从可靠性上采用先进的拓扑结构和全模块化设计,提供高可靠性的 N+X 配电方案,可以实现 0 MTTR(平均故障修复时间)。
我们通常所说的数据中心 CTO 指固定设施、固定资产与运营费用的总和。因此,用户在购买 UPS 时,除了要考虑设备本身的价格,还要考虑 UPS 在后期运营过程中厂家所提供的服务、UPS 的能耗成本。
伊顿 93P 系列是如何帮助客户降低 CTO 的呢?
从产品的性能和结构来看,这一系列产品输出功因都是 1.0,可以实现视在功率等于有功功率。该系列使用了伊顿专利 3 电平 NPC 结构整流器和逆变器(专利号:PCT/CN2012/085439)、电池变换器专利(专利号:US 2021/0169126A1),全系列 UPS 效率可以达到 96% 以上,93PR 600kW UPS 峰值效率更是高达 97.5%。

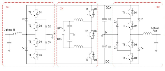
93P 系列拓扑结构图
如上图,拓扑结构分为三部分,最左边是整流器、中间是 DCDC 的直流升压和降压的变换器,最右边是逆变器。从拓扑结构上看,可以根据负载情况,随时介入、随时配合,也可以同时工作,因此可以和发电机进行 1.2 甚至更小的配比。这与其他品牌 UPS 所使用的的拓扑结构有本质上的区别。
当负载出现了一个较大冲击时,电池模块,可以随时根据负载的情况,或者根据输入电力的情况进行介入,让输入电压在很低的范围继续工作。这一拓扑有利于下一代数字化储能平台发挥更大价值,能够形成整流器双向流动和电池变化器的双向 1:1 流动。

93P 系列一体化平台架构
93P 系列产品具有很好的一体化集成性能,集成了整流开关、旁路开关、维修旁路开关和输出开关,满足了客户对维修旁路的需求。对于中小客户来说,在现有应用中,可以节约很大的低压配电成本。集中式旁路架构中内置了快速的熔丝保险丝,还可选用防反馈接触器保护,防止在旁路开关旁路没电的情况下,防止电从输出回馈到电网,保护服务人员的人身安全。所有的平台从结构设计和内部的元器件的选择都考虑到安全、可靠、高效和弹性。

ESS 交流直供供电工作模式
ESS 模式应用可以达到 99% 的高转换率。在旁路优先模式下,伊顿的专利技术能够保证 UPS 在任何电力情况中,市电与交流直供模式切换时间可以仅为两毫秒。在休眠模式中可以让内部元器件得到尽可能的休息,延长使用寿命。同时,休眠模块可以根据波形情况主动唤醒,使各模块功能合理应用。模块间的智能匹配可以形成动态损耗智能管理,从而实现高效节能,进行 UPS 合理的成本管控。

锂电池应用于 UPS 是未来的趋势,功率密度、电池体积、电池重量,与铅酸电池相比优势明显。在数据中心建设中,使用锂电池的 UPS 可以节省空间面积、降低承重要求。从使用寿命来看,铅酸电池的使用寿命是 5-7 年,而 UPS 在实际应用中通常 10 年才为一个更换阶段,锂电池长达 15 年的应用年限与 UPS 组合更为合理,更利于能效转换与成本节约。锂电池环境友好特性能够更好的满足环保要求,有利于资源的可持续循环,满足能源的绿色应用,这与 UPS 无铅化发展相吻合。数据中心由于环境温度的要求对于空调具有相当的依赖,锂电池宽泛的工作温度节省自身对制冷量的损耗。伊顿 UPS 和锂电池 BMS 实现了完美结合,用户只需要通过 UPS 的监控就可以实时了解 UPS 内各模块和内置锂电池的性能与工作状态。就后备时间来说,得到了很好的延长改善。

(Data courtesy of Samsung)
以 1 台带载 50% 的 93PR 600kW UPS 为例,一年最多可节省多少电费?(在线 97% VS 94%,每度电 0.95 元)
每年在线模式约可直接节省电费
(600×0.5/0.94-600×0.5/0.97)×24×365×0.95
≈8.2万元
每年 ESS 模式约可直接节省电费
(600×0.5/0.94-600×0.5/0.99)×24×365×0.95
≈13.4万元
我们可以看出年节约费用分别是 8.2 万和 13.4 万人民币,相当于经过两年多的时间,就可以回收购买 UPS 硬件的成本。同样,在铅酸电池和 UPS 组合、锂电池和 UPS 组合的整个生命周期中,用户只要更换一次铅酸蓄电池,其投资成本就已经超过了锂电池。所以说,从十年运行周期看,UPS 的高效设计和兼容锂电池的设计是一个趋势,锂电池和高效 UPS 组合是客户的最佳选择。尤其是在未来数据中心运营成本需要进一步降低时,锂电池在数据中心的春天就会真正到来。